Среда: ПЧ STV050 Hertz, все типоразмеры.
Решение:
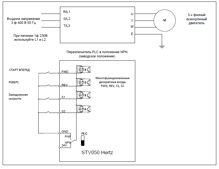
ПЧ STV050 должен обеспечить движение вперед/назад на основной скорости. При логической 1 на входе S1 ПЧ должен отрабатывать пониженную скорость.
Схема изображена ниже.

Исходное состояние ПЧ: после сброса на заводские настройки (FP/FP.01=001).
F0.03=0 (скорость задается F0.08).
F0.08 = основная скорость, Гц.
F0.04=6 ступенчатая.
F4.03=00
F4.02=12
FC.01=разница между основной скоростью и замедленной (разница).
FC.01=% от F0.10.
F0.07=11
Тахограмма работы изображена ниже.
