Содержание:
- Введение
- Управления наcоcной станцией с помощью частотного преобразователя
- Управления наcоcной станцией с помощью частотных преобразователей и панели оператора
- Управления наcоcной станцией с помощью частотных преобразователей и программируемого логического контроллера
- Заключение
Введение
Когда перед инженером стоит задача по модернизации существующей или сборке новой насосной станции повышения давления, приходится искать баланс между стоимостью решения и необходимым функционалом. В линейке Systeme Electric есть все необходимые компоненты для такой системы: преобразователи частоты (ПЧ) серии SystemeVar, панели оператора SystemeHMI SGU и программируемые логические контроллеры (ПЛК) серии SystemePLC S172.
Часто бывает, что необходимо не только оборудование, а готовое решение, которое можно интегрировать в свой проект. Systeme Electric предоставляет решения по одному из трех сценариев, каждый из которых закрывает определенный спектр задач - от базовых бюджетных установок до сложных промышленных систем с перспективой расширения.
Решение 1: Управления наcоcной станцией с помощью частотного преобразователя
Первое решение, пожалуй, самое доступное. Оно строится вокруг одного из частотного преобразователей: STV050, STV600 или STV630, который управляет сразу несколькими насосами, подключая и отключая их по очереди.
Главные преимущества этого решения:
- бюджетность - поскольку не требуется покупать ни панель оператора, ни контроллер;
- не требуется навыков программирования – только настройка параметров частотного преобразователя;
- быстрая реализация проекта - на сайте компании есть готовое руководство со схемой, что делает сборку и ввод в работу станции максимально простой.
Однако важно понимать особенности такого подхода. Логика работы данной насосной станции определяется встроенным программным обеспечением ПЧ и не подлежит изменению. Доступна только настройка функций ПЧ. Так что это скорее вариант для небольших установок, где бюджет очень ограничен, а предоставляемый функционал удовлетворяет заказчика.
С функционалом каждого решения можно ознакомиться в сравнительной таблице Т1 в конце статьи.

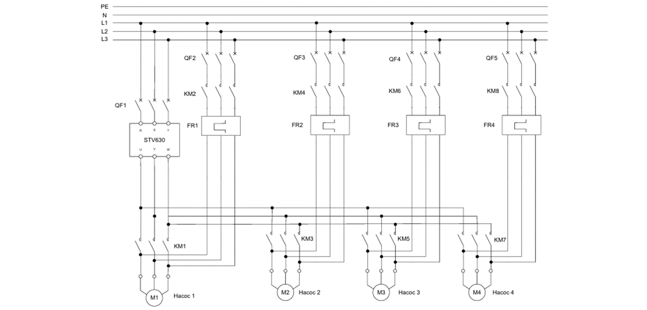
Решение 2: Управления наcоcной станцией с помощью частотных преобразователей и панели оператора
Второе решение предлагает более широкие возможности за счет добавления панели оператора. Здесь под каждый насос уже устанавливается отдельный частотный преобразователь, а управляет всей станцией панель оператора SystemeHMI SGU, которая берет на себя функции как человеко-машинного интерфейса, так и контроллера работы станции.
Фактически это готовый продукт, для которого предоставляется:
- комплекты чертежей под разное количество насосов (2-4);
- руководство по вводу в работу и эксплуатации;
- готовое программное обеспечение для панели оператора, реализующее управление, мониторинг и сбор статистики насосной станции.
Пользователь получает резервирование насосов, возможность работы по расписанию, мониторинга текущих параметров, сбор статистики по каждому насосу, обработку внешних сигналов вроде пожарной тревоги — и все это без написания кода.
Тем не менее и здесь есть свои рамки: система рассчитана на подключение не более четырех насосов и отсутствует возможность дальнейшего масштабирования и расширения функционала станции. Если в будущем потребуется добавить, например, дополнительный датчик давления или управлять задвижкой, сделать это без основательной переделки щита уже не получится.



Решение 3: Управления наcоcной станцией с помощью частотных преобразователей и программируемого логического контроллера
Третье решение - наиболее сбалансированное с точки зрения функциональности и гибкости. Оно предполагает использование связки программируемого логического контроллера и частотного преобразователя, где в роли управляющего центра выступает SystemePLC S172. Именно этот вариант мы рекомендуем для тех, кому необходимо возможность изменения функционала станции и масштабирование системы. В отличие от предустановленной логики панели оператора или решения на базе ПЧ, ПЛК позволяет выйти за рамки предложенных стандартных схем, увеличить количество насосов, подключаемых устройств, датчиков и сигналов. В отличии от предыдущих конфигураций, решения на базе ПЛК будут предоставляться с открытым исходным кодом, что позволит интегратору изменять логику работы системы, адаптировать ее под нестандартные схемы и особые требования заказчика.
Особого внимания заслуживает среда разработки данного ПЛК. Контроллеры SystemePLC S172 и интеллектуальное реле SystemePLC SR2, программируются в единой бесплатной среде разработки SystemePLC Studio. Это важное преимущество, поскольку код, написанный для одного контроллера, без каких-либо усилий переносится на другой при необходимости изменения состава проекта.
Для удобства разработчика предоставляется два популярных языка программирования АСУ ТП с помощью графических языков программирования – LD и CFC (в перспективе появится язык ST), режимы симуляции и отладки, возможность разрабатывать пользовательские экраны для встроенного дисплея ПЛК.
Важно понимать, что даже в рамках решения «ПЧ + ПЛК» компания делает ставку на комплексное предложение. Использование частотных преобразователей, панелей оператора и контроллеров одного вендора облегчает разработку и ввод в работу системы.
Все устройства по умолчанию поддерживают протокол Modbus RTU, поэтому любой из трех вариантов можно без проблем интегрировать в SCADA-систему для удаленного мониторинга.
Заключение
Используя оборудования Systeme Electric, партнер имеет несколько архитектурных решений, различающихся функционалом, бюджетом и возможностью изменения и масштабирования. Выбор конфигурации зависит от конкретной задачи и финансовых возможностей заказчика.
Т1 - Сравнительная таблица конфигураций автоматики насосной станции повышения давления:
| Функция | Только на ПЧ | ПЧ + Панель оператора | ПЧ + ПЛК |
| Регулирование давления | |||
| Регулирование давления за счет каскадного подключения/отключения насосов | ✅ | ✅ | ✅ |
| Плавное заполнение трубопровода | ✅ | ✅ | ✅ |
| Засыпание ПИД-регулятора | ✅ | ✅ | ✅ |
| Изменение уставки давления по расписанию | ❌ | ✅ | ✅ |
| Управление насосами | |||
| Работа в ручном или автоматическом режиме | ✅ | ✅ | ✅ |
| Автоматическое чередование насосов (для выработки равного моторесурса) | ✅ | ✅ | ✅ |
| Резервирование насосов | ❌ | ✅ | ✅ |
| Защиты и диагностика | |||
| Защита от «сухого хода» | ✅ | ✅ | ✅ |
| Защита по внешнему сигналу (например, от датчика перегрева или затопления) | ❌ | ✅ | ✅ |
| Сервисные функции и мониторинг | |||
| Мониторинг параметров ПЧ по Modbus RTU | ✅ | ✅ | ✅ |
| Мониторинг параметров станции по Modbus TCP | ❌ | ✅ | ✅ |
| Наличие локального человеко-машинного интерфейса | ❌ | ✅ | ✅ |
| Сбор статистики работы каждого насоса (наработка, количество пусков) | ❌ | ✅ | ✅ |
| Ведение журналов событий и трендов с сохранением на флеш-накопитель | ❌ | ✅ | ✅ |
| Возможность расширения | |||
| Увеличение количества насосов в системе (свыше 4-х) | ❌ | ❌ | ✅ |
| Расширение функционала станции | ❌ | ❌ | ✅ |
| Подключение дополнительных датчиков | ❌ | ❌ | ✅ |
| Управление дополнительными исполнительными механизмами | ❌ | ❌ | ✅ |

